博世力士乐生产先进的工业液压元件与系统,配合了微电子技术,令传动有力而精确。其电子传动与控制产品及系统永远走在科技前端,为不同应用提供最佳的解决方案。在线性传动与组装技术方面,力士乐把两种技术之优点融合,满足了客户不同的要求。此外,其气动元件跟电动气压零件相配合,令元件及系统发挥得全面。REXROTH导轨主要分为:滚珠和滚柱两个系列!
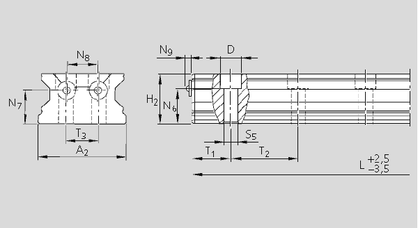
| A2 | 85 | |
| D | 20 | |
| H21) | 47.85 | |
| Lmax | 4000 | |
| N6±0.5 |
31.2 |
|
| N7 | 30 | |
| N8 | 32 | |
| N9 | 4.8 | |
| S5 | 14 | |
| T1 min2) |
18 |
|
| T1s3) | 28.0 | |
| T2 | 60 | |
| T3 | 32 | |
| 重量 | 24.7 |
1)H2为带0.3mm厚防护带的尺寸。
2)当尺寸小于1 min时,没有防护带固定的端面螺孔!防护带必须固定!注意安装说明!
3)首选尺寸T1s,公差+0.5/-1.0

机床、木工机械、激光切割等