博世力士乐生产先进的工业液压元件与系统,配合了微电子技术,令传动有力而精确。其电子传动与控制产品及系统永远走在科技前端,为不同应用提供最佳的解决方案。在线性传动与组装技术方面,力士乐把两种技术之优点融合,满足了客户不同的要求。此外,其气动元件跟电动气压零件相配合,令元件及系统发挥得全面。REXROTH导轨主要分为:滚珠和滚柱两个系列!
.gif)
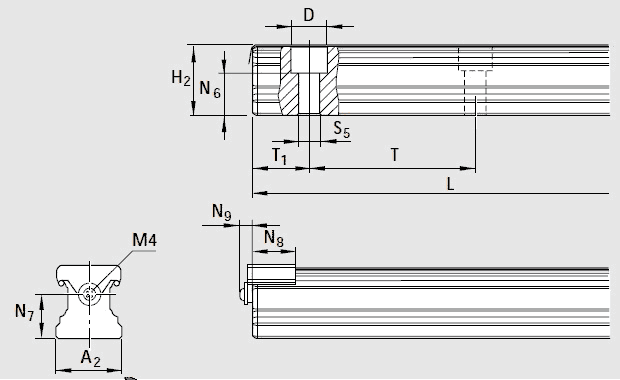
| A2 | 23 | |
| D | 11.0 | |
| H21) | 24.45 | |
| Lmax2) | 3 836 | |
| N6 ±0.5 |
15.2 |
|
| N73) | 15.0 | |
| N8 | 15.2 | |
| N9 | 6.5 | |
| S5 | 7.0 | |
| T | 60 | |
| T1 min4) |
13 |
|
| T1s 5) | 28.0 | |
| T1 max | 50 | |
| 重量 | 3.2 |
1)尺寸H2带防护带
规格15:带0.1mm厚的防护带
规格20-30:带0.2mm厚的防护带
规格35-65:带0.3mm厚的防护带
2)对于规格20-45,精度N,H和P的滚珠导轨,单段供货长度
规格20-25:Z长可达5816mm
规格30-35:Z长可达5836mm
规格45:Z长可达5771mm
3)N7为带防护带的尺寸。
4)如果端部尺寸小于T1 min,则导轨端面不能加工螺纹孔。
5)推荐:首选尺寸T1s,公差 ±0.75。
6)由于加工原因,导轨的底面可能是平的(没有底槽)。

机床、木工机械、激光切割等