博世力士乐滚柱导轨导向系统是结构紧凑的滚柱承载的线性导向产品,具有极高的承载能力和刚度。滚柱导轨导向系统规格范围涵盖25到125,应用场合非常广泛,包括机床、印刷机械、造纸机、喷涂装置、工业机器人、压机和重型机械设备等。优势:1,4个主要承载方向上极高的负载能力.2,高转矩承载能力.3,优化的滚柱循环系统和导向元件设计实现了平稳、安静的运行.4,标配端部密封.5,优化的润滑通道设计大限度减少了润滑剂消耗.6,所有侧面都有润滑接口,方便进行维护.7,导轨可选配防护带,安装方便.8,可集成感应、无磨损测量系
.gif)
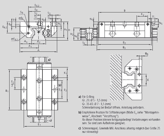
| A | 140 | |
| A1 | 70 | |
| A2 | 53 | |
| A3 | 43.5 | |
| B | 205.5 | |
| B1 | 162.1 | |
| B2 | 209.5 | |
| B3 | 216 | |
| d8 | 10 | |
| d 8.2 | 6 | |
| E1 | 116 | |
| E2 | 95 | |
| E3 | 70 | |
| N5 | 74.2 | |
| S12 | 81.60 | |
| X | 18.85 | |
| H | 70 | |
| H1 | 58 | |
| H21) | 47.85 | |
| H22) | 47.55 | |
| K1 | 41.25 | |
| K2 | 44.4 | |
| N1 | 18 | |
| N2 | 13.7 | |
| N5 | 9.0 | |
| N6±0.5 | 28.7 | |
| S1 |
12.5 |
|
| S2 | M14 | |
| S5 | 16 | |
| S93) | M5-8深 | |
| T24) |
60.0 |
|
| V1 | 12.0 | |
| 重量 | 7.7 | |
| 额定载荷C | 165 000 | |
| 额定载荷 C0 | 345 300 | |
| 额定转矩 Mt | 4 837 | |
| 额定转矩 Mto | 10 122 | |
| 额定转矩 ML | 4 030 | ![]() |
| 额定转矩 ML0 | 8 440 | ![]() |
1)尺寸H2带防护带
2)尺寸H2不带防护带
3)用于附加件的螺纹
4)尺寸T2 =导轨安装孔间距

机床、木工机械、激光切割等